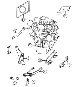
AIXAM 400 VLGC34VBO